Bayanin Sirri: Sirrinka yana da matukar mahimmanci a gare mu. Kamfaninmu yayi alkawarin kar a bayyana keɓaɓɓun bayananku ga kowane fallasa tare da izini na bayyananne.
Kayan samfur
Aika Aikace-aikacen
Nau'in Biyan kuɗi: L/C,T/T,D/P,D/A,Paypal
Shigo: Ocean,Land,Air,Express,Others
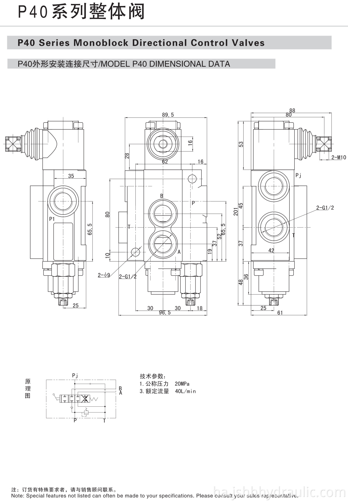
Model No.: P40 Hydraulic Mobile Control Valve
Alamar: Haohong
Origin: Huaian City, China
Alamar shaida: Ce certificate
Warranty Period: 1 Year
Out-of-warranty Service: Video Technical Support, Online Support, Field Maintenance And Repair Service, Spare Parts
Where To Provide Local Services (in Which Countries Are There Overseas Service Outlets): Other
Showroom Location (in Which Countries Are There Sample Rooms Overseas): None
Place Of Origin: China
Service System: Field Installation, Commissioning And Training, Online Support, Video Technical Support, Field Maintenance And Repair Service, Free Spare Parts, Other
Valve Type: Flow Control Valve
Maximum Temperature: -20 to +80 Degree C
Rated Flow: 40 LPM
Control Pressure: 50-250 bar
Degree Of Filtration: 25 um
Material: Vermicular graphite cast iron
Package Size: 32*26*15cm
Aikace-aikacen: Agriculture, horticulture, forestry, construction and industry
Al'adun P40 Monoblock Contron Badon ne mai inganci da ingantaccen kayan aikin injiniya, kayan aikin gona, jiragen ruwa, da kayan aikin man gona. Hydraulic kuma yana da bawul mai amfani da kuma matsin lamba. 
Wannan jerin samfuran suna da halaye masu zuwa:
1. Jerin P40: Resparfin P40 Hypulal Vawal na iya samun ayyukan sarrafawa iri-iri, kamar ikon matsin lamba, yana iya biyan bukatun yanayin aiki daban-daban da inganta sassauci da kuma inganta tsarin .A taƙaice, jerin P40 jerin ƙirar ƙa'idodi ne, ingantacce, tanadin ikon sarrafawa da haɓaka ƙarfin halin da aka samu daban-daban tsarin.


Packaging: cakuda tare da cokali 5 Brown Box
Yawan aiki: 10000 sets/month
Shigo: Ocean,Land,Air,Express,Others
Wurin Bayani: Huaian City, China
Abubuwan Abubuwan Dama: 10000 sets/month
Certificate: Ce certificate
HS Code: 8481201090
Port: SHANGHAI
Nau'in Biyan kuɗi: L/C,T/T,D/P,D/A,Paypal
Ba da fatawa: FOB,CFR,CIF,EXW
GET IN TOUCH
If you have any questions our products or services,feel free to reach out to us.Provide unique experiences for everyone involved with a brand.we’ve got preferential price and best-quality products for you.
Bayanin Sirri: Sirrinka yana da matukar mahimmanci a gare mu. Kamfaninmu yayi alkawarin kar a bayyana keɓaɓɓun bayananku ga kowane fallasa tare da izini na bayyananne.
Cika ƙarin bayani don hakan na iya shiga tare da ku cikin sauri
Bayanin Sirri: Sirrinka yana da matukar mahimmanci a gare mu. Kamfaninmu yayi alkawarin kar a bayyana keɓaɓɓun bayananku ga kowane fallasa tare da izini na bayyananne.