Bayanin Sirri: Sirrinka yana da matukar mahimmanci a gare mu. Kamfaninmu yayi alkawarin kar a bayyana keɓaɓɓun bayananku ga kowane fallasa tare da izini na bayyananne.
Kayan samfur
Aika Aikace-aikacen
Nau'in Biyan kuɗi: L/C,T/T,D/P,D/A,Paypal,Others
Shigo: Ocean,Land,Air,Express,Others
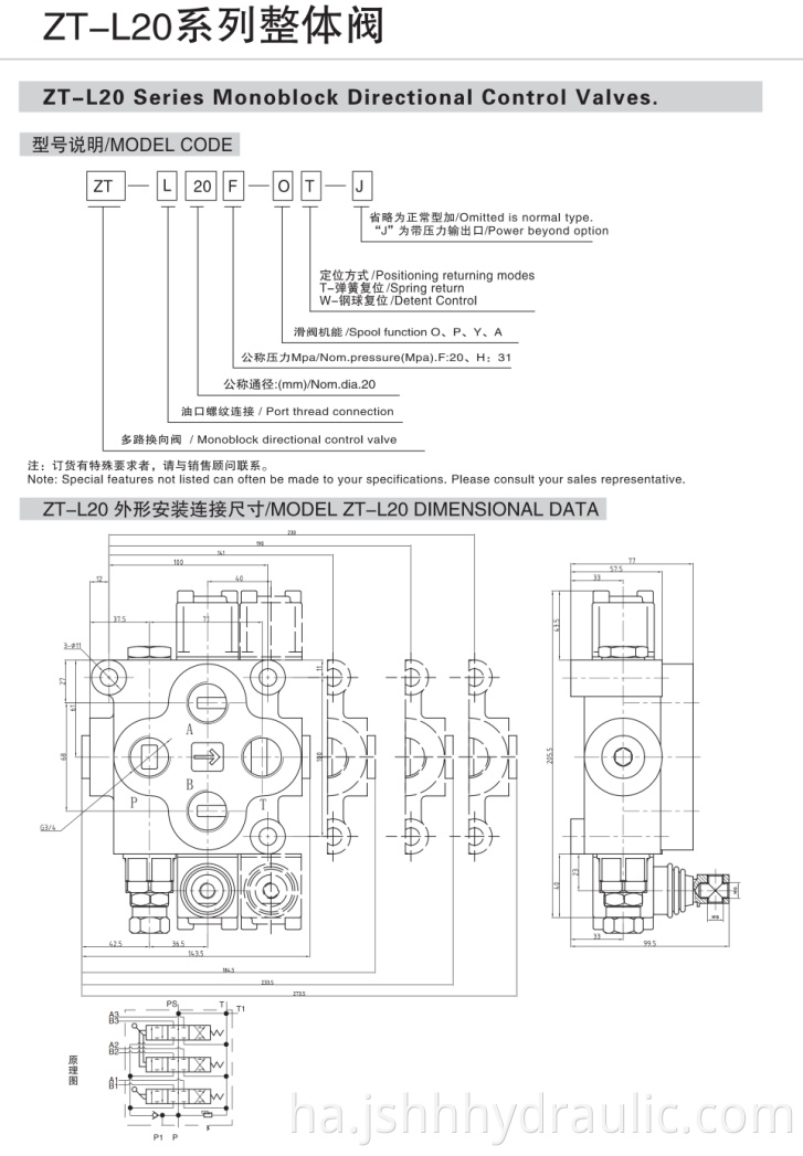
Model No.: ZT-L20 hydraulic directional control muanal monoblock valve
Alamar: Haohong
Origin: Huaian City, China
Alamar shaida: Ce certificate
Warranty Period: 1 Year
Out-of-warranty Service: Online Support, Spare Parts, Field Maintenance And Repair Service, Video Technical Support
Where To Provide Local Services (in Which Countries Are There Overseas Service Outlets): Other
Showroom Location (in Which Countries Are There Sample Rooms Overseas): Other
Place Of Origin: China
Service System: Online Support, Video Technical Support, Free Spare Parts, Field Installation, Commissioning And Training, Field Maintenance And Repair Service, Other
Valve Type: Flow Control Valve
Nom.Pressure: 20 MPA
Rated Flow: 80 LPM
Hydraulic Oil Tem.Rang: -20~+80 ℃
Spool Function: O, P. Y, A
Joining Port: L (screw connection)
Work Ports: SAE8
Material: Vermicular graphite cast iron
Package Size: 28*24*15cm
Aikace-aikacen: Construction machinery, sanitation machinery, mining machinery and other machinery hydraulic system
ZT-L20 OVALIN TARIHI NA BIYU Multi-Way an inganta shi ne bisa tsarin sarrafa na ZT-L20. Yana da yafi canza tsarin sarrafawa na soke bawul na bawul na bawul na bawul na bawul na bawul na lantarki, kuma a cewar buƙatun abokin ciniki, zai iya mafi nisa ga cimma iko iko. Ana amfani da bawul ɗin injallolin gina gini, kayan masarawa, kayan masarufi da sauran kayan masarufi na kayan masarufi.

A taƙaice, Zt-l20 jerin jerin Channel na Caillial shine kayan aikin sarrafawa, abubuwan da suka dace, da kuma shigarwa na sarrafawa, dace da ikon sarrafa tsarin hydraulic.


Packaging: cakuda tare da cokali 5 Brown Box
Yawan aiki: 10000 sets/month
Shigo: Ocean,Land,Air,Express,Others
Wurin Bayani: Huaian City, China
Abubuwan Abubuwan Dama: 10000 sets/month
Certificate: Ce certificate
HS Code: 8481201090
Port: SHANGHAI,NINGBO
Nau'in Biyan kuɗi: L/C,T/T,D/P,D/A,Paypal,Others
Ba da fatawa: FOB,CFR,CIF,EXW
GET IN TOUCH
If you have any questions our products or services,feel free to reach out to us.Provide unique experiences for everyone involved with a brand.we’ve got preferential price and best-quality products for you.
Bayanin Sirri: Sirrinka yana da matukar mahimmanci a gare mu. Kamfaninmu yayi alkawarin kar a bayyana keɓaɓɓun bayananku ga kowane fallasa tare da izini na bayyananne.
Cika ƙarin bayani don hakan na iya shiga tare da ku cikin sauri
Bayanin Sirri: Sirrinka yana da matukar mahimmanci a gare mu. Kamfaninmu yayi alkawarin kar a bayyana keɓaɓɓun bayananku ga kowane fallasa tare da izini na bayyananne.